Course Description
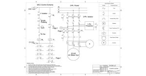
The THORS Engineering Drawings for Electrical Circuits course introduces the learner to the drawing representation, the types of electrical diagrams, and the symbols used. Presented in THORS’ highly visual and interactive learning format, this course will equip the learner with a foundational knowledge to interpret electrical drawings through case study examples.

Who will benefit from this engineering drawing course?
Quality, manufacturing, engineering, design, testing, purchasing, and sales functions at organizations that require electrical circuit manufacturing.
Course Classification
*THORS uses the Bloom’s Taxonomy Methodology for our course development.
Certificate Awarded for Engineering Drawing for Electrical Circuits
*upon successful completion
Related Posts

Understanding Engineering Drawings for Hydraulics
How are Engineering Drawings for Hydraulics Different from Regular Engineering Drawings? Engineering drawings have many symbols that are standard and carry over from industry to

Benefits of eLearning in Manufacturing
In the world of manufacturing, training is essential. Every employee needs to understand how to use equipment, follow procedures, and maintain quality standards. With the advent

Certificate Programs vs Completion Certificates
Certificate programs and completion certificates are both types of educational programs that can provide valuable training and skills to individuals in a variety of fields.




